Zastanawiasz się, jak działa kurtyna?
Jak działa kurtyna?
Sprawdź teraz →
zapytaj o produkt
poleć znajomemu
Masz jakieś pytania?
Skontaktuj się z nami
660 096 221
Opis

Zalety i przewaga na rynku nagrzewnic
Nagrzewnica wodna AEROCK MINI R2 zbudowana jest z trzech podstawowych elementów:
2-rzędowy wymiennik ciepła - miedziana wężownica z gęsto osadzonymi lamelami aluminiowymi, dodatkowo formowanymi dla uzyskania możliwie dużej powierzchni wymiany ciepła,
3-biegowy osiowy wentylator nawiewny - wyważany dynamicznie w celu uzyskania długoletniej trwałości łożysk, ograniczenia głośności i drgań,
obudowa z trwałego i lekkiego tworzywa ABS wyposażona w żaluzje nawiewne umożliwiające żądane ukierunkowanie ciepłego powietrza, tylna część obudowy, łącząca wentylator i korpus nagrzewnicy ukształtowana jest tak, aby powietrze nadmuchiwane przez wentylator przepływało przez całą powierzchnię wymiennika ciepła.
Na co zwrócić uwagę przy eksploatacji nagrzewnicy wodnej jeśli wydajność nagrzewnicy wydaje się zbyt niska:
zbyt mały przepływ wody grzewczej przez nagrzewnicę (niewystarczająca wydajność pompy, brak wyrównania przepływów w dużych instalacjach, zapowietrzenie wężownicy, zbyt mały przekrój rur),
zbyt niska temperatura wody grzewczej, nagrzewnice wymagają raczej wyższych temperatur wody grzewczej (minimum 45-50 st.C), zatem włączanie ich do instalacji z źródłami niskotemperaturowymi (kotły kondensacyjne, pompy ciepła z wodą 30-40 st.C) może nie zaspokoić wymagań większości użytkowników.
stopniowe zanieczyszczenie powierzchni wymiennika ciepła - zbierający się kurz i inne zanieczyszczenia utrudniają przepływ powietrza oraz odbiór ciepła przez powietrze z powierzchni wymiennika.
Montaż
Nagrzewnice wodne przemysłowe AEROCK można montować do ściany lub stropu za pośrednictwem kątowo-obrotowej konsoli montażowej (w komplecie) lub przez podwieszenie do stropu na prętach gwintowanych (tzw szpilkach).

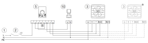
Sterowanie opcjonalne

schemat ze sterownikiem (5) i elektrozaworem jako opcją (10)

schemat ze przełącznikiem 5-biegowym (12) i termostatem uniwersalnym jako opcją (6)

Bezpieczeństwo
Koszty dostawy
Cena nie zawiera ewentualnych kosztów płatności