Zastanawiasz się, jak działa kurtyna?
Jak działa kurtyna?
Sprawdź teraz →
zapytaj o produkt
poleć znajomemu
Masz jakieś pytania?
Skontaktuj się z nami
660 096 221
Opis
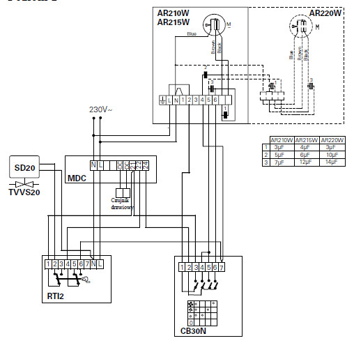
Sterownik ścienny natynkowy z pokrętłami do obsługi kurtyn powietrznych wodnych z serii AR200 FRICO.
Wbudowany przełącznik 3-biegów nadmuchu.
Szczelność - IP44
Maksymalne obciążenie prądowe - 10A
