Zastanawiasz się, jak działa kurtyna?
Jak działa kurtyna?
Sprawdź teraz →
zapytaj o produkt
poleć znajomemu
Masz jakieś pytania?
Skontaktuj się z nami
660 096 221
Opis
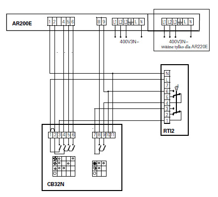
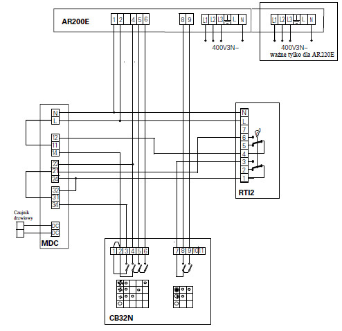
Sterownik ścienny natynkowy z pokrętłami do obsługi kurtyn powietrznych serii AR200 FRICO.
Wbudowany przełącznik 3-biegów nadmuchu i 2-stopni mocy grzałek.
Szczelność - IP44
Maksymalne obciążenie prądowe - 10A

